Check This Part by VIN
Enter your 17-digit VIN to verify whether G9141-50010 fits your vehicle before ordering.
Example: 4T1B11HK0JU037870
G9141-50010 BRACKET SUB-ASSY, HV WATER PUMP product image
🔍 Click image to enlarge
G9141-50010 BRACKET SUB-ASSY, HV WATER PUMP product image
G9141-50010 BRACKET SUB-ASSY, HV WATER PUMP product image
G9141-50010 BRACKET SUB-ASSY, HV WATER PUMP product image
G9141-50010 BRACKET SUB-ASSY, HV WATER PUMP product image

G9141-50010 BRACKET SUB-ASSY, HV WATER PUMP

Toyota EPC Name: BRACKET SUB-ASSY, HV WATER PUMP
G9141-50010
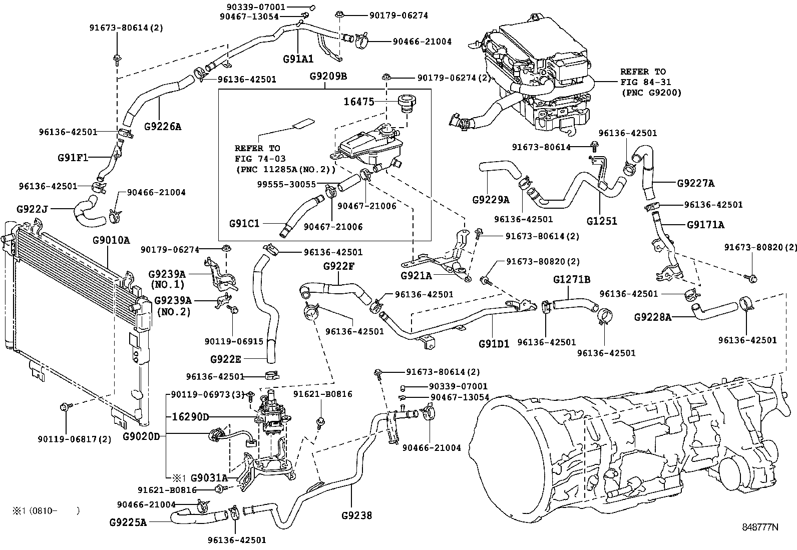
Catalog: 432210 PNC: G9031A - BRACKET SUB-ASSY, HV WATER PUMP
Quick Buying Check
Fitment 9 EPC group(s)

Use VIN verification before ordering.

Reference G9031A

BRACKET SUB-ASSY, HV WATER PUMP

Supply Manual quote

Price, MOQ, and lead time confirmed before shipment.

Toyota & Lexus Parts Specialist
Based in China | Wholesale / B2B
  • Fitment-referenced replacement parts
  • Wholesale supply for distributors
  • Worldwide shipping support
Request Price & Fitment Confirmation

Send part number, quantity, destination country, and VIN if available.

Send detailed request
Request This Part
Send the part number, quantity, destination country, and VIN if available. We will confirm availability and fitment reference.

Fitment Reference

Toyota and Lexus part applications can vary by market, production date, chassis code, engine, trim, and catalog. Always verify part number G9141-50010, PNC, vehicle application, and VIN before ordering.
Model Name Fr-To Model Description Catalog
LEXUS LS600H/600HL 2012.09 -
UVF4#
432220
LEXUS LS600H/600HL 2012.09 -
UVF4#
432120
LEXUS LS600HL 2012.09 -
UVF46
432420
LEXUS LS600H/600HL 2009.11 -
UVF4#
432210
LEXUS LS600H/600HL 2009.11 -
UVF4#
432110
LEXUS LS600HL 2009.11 -
UVF46
432410
LEXUS LS600H/600HL 2008.10 - 2009.11
UVF4#
432210
LEXUS LS600H/600HL 2008.10 - 2009.11
UVF4#
432110
LEXUS LS600HL 2008.10 - 2009.11
UVF46
432410

Same PNC G9031A Part Numbers

View more PNC G9031A part numbers

FAQ

What is G9141-50010?
G9141-50010 is a Toyota/Lexus reference part number for BRACKET SUB-ASSY, HV WATER PUMP. Check PNC, fitment, catalog, and VIN before ordering.

How do I check if G9141-50010 fits my vehicle?
Verify the OE number, PNC, vehicle catalog, production date, chassis, engine, trim, and VIN before ordering.

Is G914150010 the same as G9141-50010?
Yes. G914150010 is a common search format without hyphens. Always verify the full OE number and fitment details.

Can NeoZeroAuto help verify G9141-50010 by VIN?
Yes. Send the VIN, part number, quantity, and destination country for manual fitment reference support.

Related Parts

Technical Reference Details

Specifications

Brand NeoZeroAuto
Part Name Code G9031A
Manufacturer Part Number G9141-50010
Part Description BRACKET SUB-ASSY, HV WATER PUMP
Condition New
Quantity Per Vehicle 1
SKU G9141-50010
Catalog 432210
PNC G9031A
PNC Group BRACKET SUB-ASSY, HV WATER PUMP

OE Number Variants

This reference page covers part number G9141-50010. OE and reference number variants include:

  • G9141-50010
  • G914150010
  • G9141 50010

What is G9141-50010?

G9141-50010 is a Toyota/Lexus reference part number for BRACKET SUB-ASSY, HV WATER PUMP. In EPC data, it is listed as BRACKET SUB-ASSY, HV WATER PUMP under PNC G9031A. Use the fitment table above to confirm catalog, production date, engine, chassis, and market application.

Toyota reference part number G9141-50010 corresponds to BRACKET SUB-ASSY, HV WATER PUMP. Toyota EPC lists this part as BRACKET SUB-ASSY, HV WATER PUMP. For higher accuracy, verify by VIN, production date, market, and detailed vehicle configuration before ordering or quoting.