✅ Vehicle Fitment Check: Verify with VIN, production date, and market specification before ordering.
Toyota 90331-35005 PLUG, TIGHT, NO.1(FOR CYLINDER BLOCK)
🔍 Click image to enlarge
Thumbnail 1 for 90331-35005
Thumbnail 2 for 90331-35005

Toyota 90331-35005 PLUG, TIGHT, NO.1(FOR CYLINDER BLOCK)

90331-35005
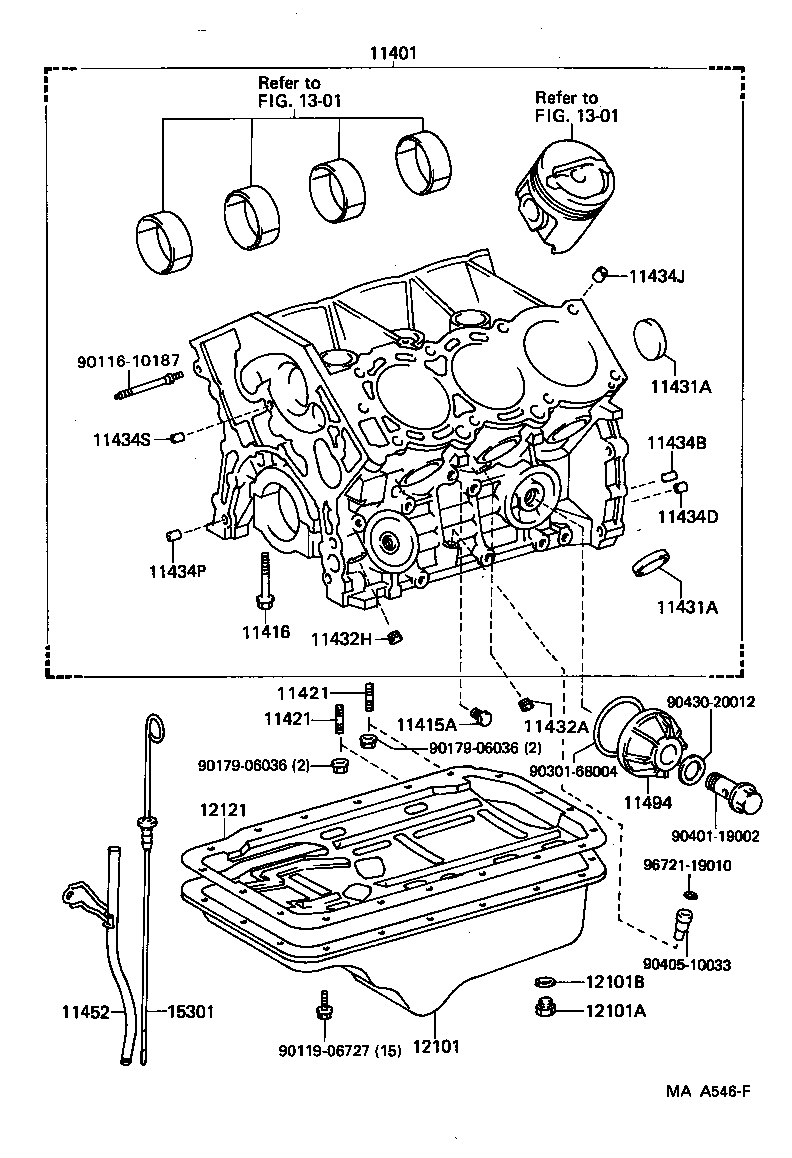
Catalog: 671450 🔗 PNC: 11431A - PLUG, TIGHT, NO.1(FOR CYLINDER BLOCK)
Part overview: OEM reference 90331-35005 for PLUG, TIGHT, NO.1(FOR CYLINDER BLOCK). This page currently lists 11 fitment groups. Use the catalog link and vehicle fitment table below to confirm application details.
Toyota & Lexus Parts Specialist
Based in China | Wholesale / B2B

NeoZeroAuto supplies Toyota and Lexus replacement parts with fitment-reference support.

  • OEM-quality replacement parts
  • Wholesale supply for distributors
  • Worldwide shipping support

Send the part number and quantity to receive a quotation.

Contact Us for Quote
Request a Quote Chat on WhatsApp
Email: [email protected]

Specifications

Brand NeoZeroAuto
Part Name Code 11431A
Manufacturer Part Number 90331-35005
Part Description PLUG, TIGHT, NO.1(FOR CYLINDER BLOCK)
Condition New
Quantity Per Vehicle 11
SKU 90331-35005
Catalog 671450
PNC 11431A
PNC Group PLUG, TIGHT, NO.1(FOR CYLINDER BLOCK)

Vehicle Fitment

Model Name Fr-To Model Description Catalog
TUNDRA 2002.08 - 2004.08
5VZFE..VCK30,40
841420
TACOMA 2000.09 - 2004.09
5VZFE..VZN170
674460
TACOMA 2000.09 - 2004.09
5VZFE..VZN150,195
675460
TUNDRA 1999.02 - 2002.08
5VZFE..VCK30,40
841420
4RUNNER 1995.11 -
5VZFE..VZN18#
671460
TACOMA 1995.01 - 2000.09
5VZFE..VZN160,170
674460
TACOMA 1995.01 - 2000.09
5VZFE..VZN150,195
675460
4-RUNNER TRUCK (JPP) 1994.06 - 1995.11
3VZE..VZN100,110,13#
671450
4-RUNNER TRUCK (JPP) 1994.06 - 1995.11
3VZE..VZN120,90
672450
4-RUNNER TRUCK (NAP) 1994.06 - 1995.01
3VZE..VZN100,110
674450
T100 1994.06 -
3VZE,5VZFE..VCK1#,2#
841410

Related Parts

Part Number Reference
11401-39447 BLOCK SUB-ASSY, CYLINDER
11401-69336 BLOCK SUB-ASSY, CYLINDER
11401-69525 BLOCK SUB-ASSY, CYLINDER
11452-35010 GUIDE, OIL LEVEL GAGE
11452-65011 GUIDE, OIL LEVEL GAGE
11459-35010 SUPPORT, OIL LEVEL GAGE GUIDE
11494-65010 PLATE, OIL HOLE COVER
12101-35020 PAN SUB-ASSY, OIL
12101-35040 PAN SUB-ASSY, OIL
12101-65010 PAN SUB-ASSY, OIL
12101-65011 PAN SUB-ASSY, OIL
12121-65010 PLATE, OIL PAN BAFFLE, NO.1

Toyota part number 90331-35005 corresponds to PLUG, TIGHT, NO.1(FOR CYLINDER BLOCK). Use the fitment table, catalog reference, and PNC group information above to confirm compatibility.

For higher accuracy, verify by VIN, production date, market, and detailed vehicle configuration before ordering or quoting.