Check This Part by VIN
Enter your 17-digit VIN to verify whether 35013-12080 fits your vehicle before ordering.
Example: 4T1B11HK0JU037870
35013-12080 TUBE SUB-ASSY, TRANSMISSION OIL FILLER product image
🔍 Click image to enlarge
35013-12080 TUBE SUB-ASSY, TRANSMISSION OIL FILLER product image
35013-12080 TUBE SUB-ASSY, TRANSMISSION OIL FILLER product image
35013-12080 TUBE SUB-ASSY, TRANSMISSION OIL FILLER product image
35013-12080 TUBE SUB-ASSY, TRANSMISSION OIL FILLER product image

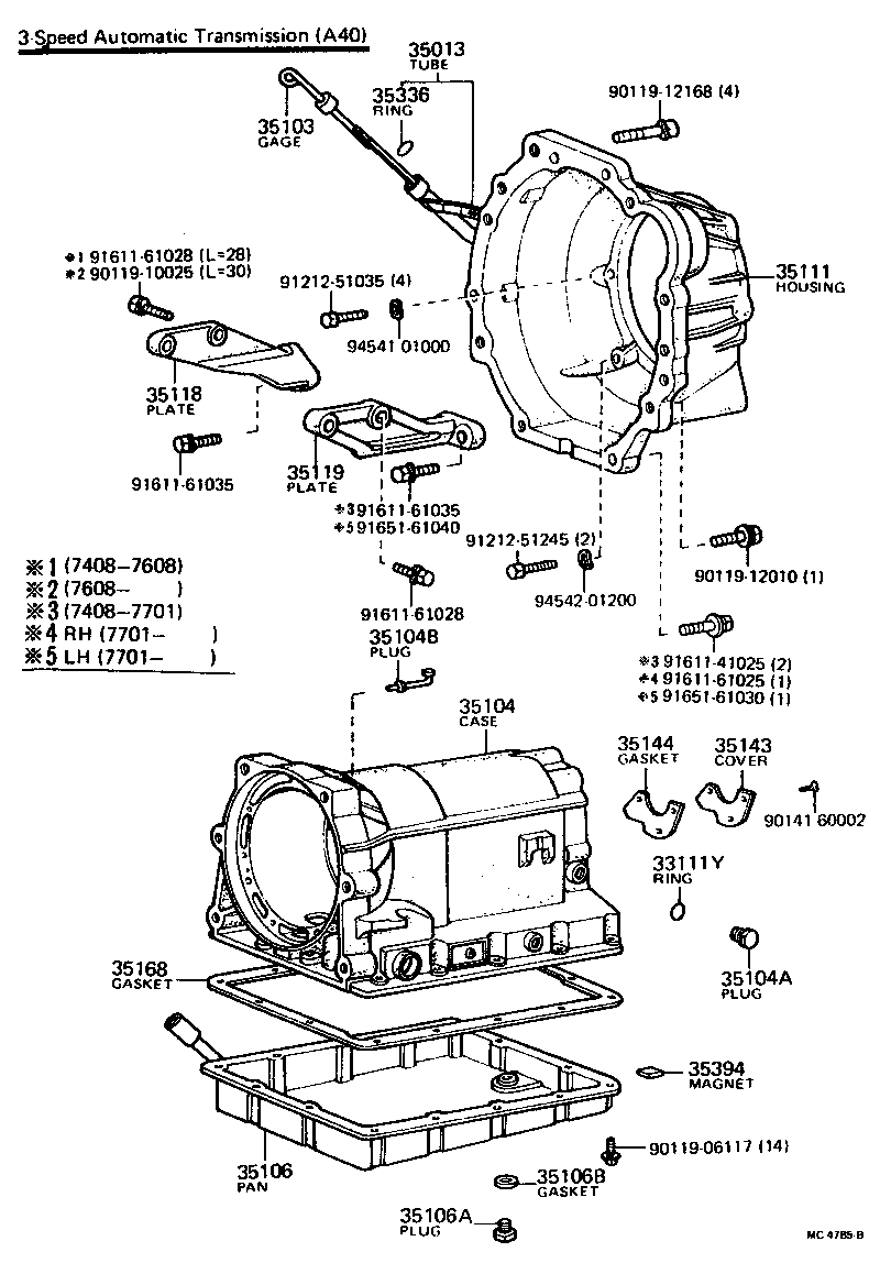
35013-12080 TUBE SUB-ASSY, TRANSMISSION OIL FILLER

Toyota EPC Name: TUBE SUB-ASSY, TRANSMISSION OIL FILLER
35013-12080
Catalog: 191210 PNC: 35013 - TUBE SUB-ASSY, TRANSMISSION OIL FILLER
Quick Buying Check
Fitment 4 EPC group(s)

Use VIN verification before ordering.

Reference 35013

TUBE SUB-ASSY, TRANSMISSION OIL FILLER

Supply Manual quote

Price, MOQ, and lead time confirmed before shipment.

Toyota & Lexus Parts Specialist
Based in China | Wholesale / B2B
  • Fitment-referenced replacement parts
  • Wholesale supply for distributors
  • Worldwide shipping support
Request Price & Fitment Confirmation

Send part number, quantity, destination country, and VIN if available.

Send detailed request
Request This Part
Send the part number, quantity, destination country, and VIN if available. We will confirm availability and fitment reference.

Fitment Reference

Toyota and Lexus part applications can vary by market, production date, chassis code, engine, trim, and catalog. Always verify part number 35013-12080, PNC, vehicle application, and VIN before ordering.
Model Name Fr-To Model Description Catalog
COROLLA 1982.04 - 1983.05
TE72..4FC
191210
COROLLA 1979.08 - 1983.05
TE71..LHD..3FC
191210
COROLLA 1979.08 - 1982.08
TE72..ATM
191410
COROLLA 1977.08 - 1979.08
TE31,38,51..A40
161430

Same PNC 35013 Part Numbers

View more PNC 35013 part numbers

FAQ

What is 35013-12080?
35013-12080 is a Toyota/Lexus reference part number for TUBE SUB-ASSY, TRANSMISSION OIL FILLER. Check PNC, fitment, catalog, and VIN before ordering.

How do I check if 35013-12080 fits my vehicle?
Verify the OE number, PNC, vehicle catalog, production date, chassis, engine, trim, and VIN before ordering.

Is 3501312080 the same as 35013-12080?
Yes. 3501312080 is a common search format without hyphens. Always verify the full OE number and fitment details.

Can NeoZeroAuto help verify 35013-12080 by VIN?
Yes. Send the VIN, part number, quantity, and destination country for manual fitment reference support.

Related Parts

Technical Reference Details

Specifications

Brand NeoZeroAuto
Part Name Code 35013
Manufacturer Part Number 35013-12080
Part Description TUBE SUB-ASSY, TRANSMISSION OIL FILLER
Condition New
Quantity Per Vehicle 1
SKU 35013-12080
Catalog 191210
PNC 35013
PNC Group TUBE SUB-ASSY, TRANSMISSION OIL FILLER

OE Number Variants

This reference page covers part number 35013-12080. OE and reference number variants include:

  • 35013-12080
  • 3501312080
  • 35013 12080

What is 35013-12080?

35013-12080 is a Toyota/Lexus reference part number for TUBE SUB-ASSY, TRANSMISSION OIL FILLER. In EPC data, it is listed as TUBE SUB-ASSY, TRANSMISSION OIL FILLER under PNC 35013. Use the fitment table above to confirm catalog, production date, engine, chassis, and market application.

Toyota reference part number 35013-12080 corresponds to TUBE SUB-ASSY, TRANSMISSION OIL FILLER. Toyota EPC lists this part as TUBE SUB-ASSY, TRANSMISSION OIL FILLER. For higher accuracy, verify by VIN, production date, market, and detailed vehicle configuration before ordering or quoting.