Check This Part by VIN
Enter your 17-digit VIN to verify whether 16282-42010 fits your vehicle before ordering.
Example: 4T1B11HK0JU037870
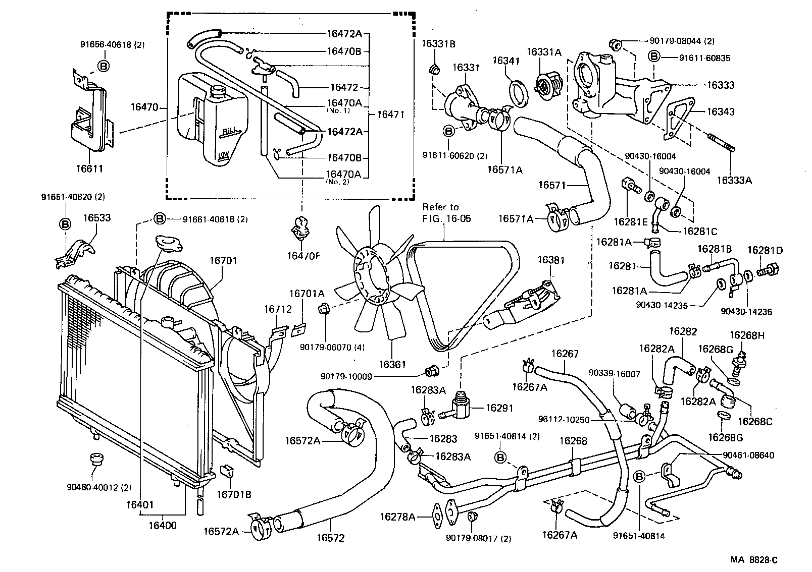
16282-42010 HOSE, WATER BY-PASS, NO.5 product image
🔍 Click image to enlarge
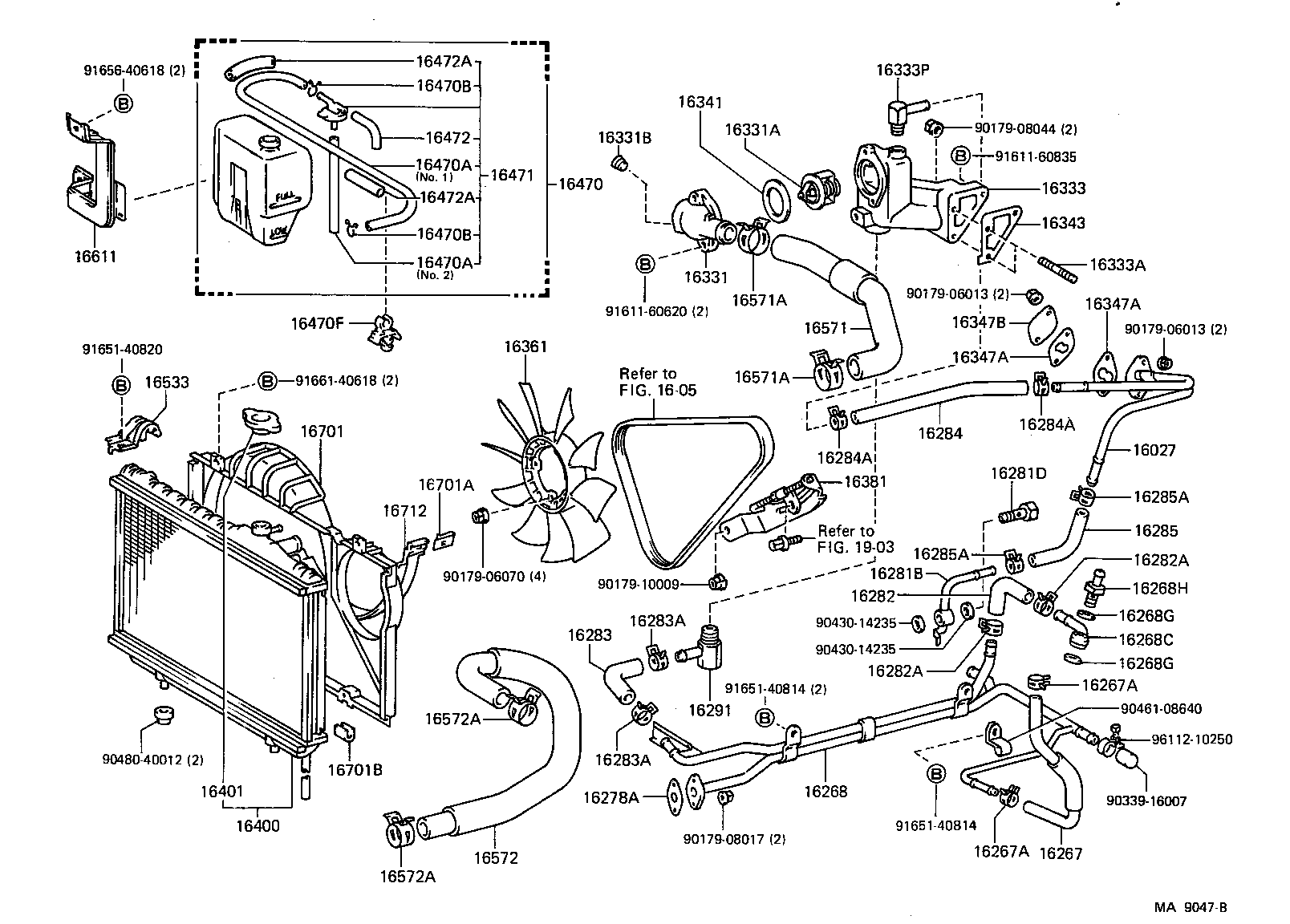
16282-42010 HOSE, WATER BY-PASS, NO.5 product image
16282-42010 HOSE, WATER BY-PASS, NO.5 product image
16282-42010 HOSE, WATER BY-PASS, NO.5 product image

16282-42010 HOSE, WATER BY-PASS, NO.5

Toyota EPC Name: HOSE, WATER BY-PASS, NO.5
16282-42010
Catalog: 291210 PNC: 16282 - HOSE, WATER BY-PASS, NO.5
Quick Buying Check
Fitment 18 EPC group(s)

Use VIN verification before ordering.

Reference 16282

HOSE, WATER BY-PASS, NO.5

Supply Manual quote

Price, MOQ, and lead time confirmed before shipment.

Toyota & Lexus Parts Specialist
Based in China | Wholesale / B2B
  • Fitment-referenced replacement parts
  • Wholesale supply for distributors
  • Worldwide shipping support
Request Price & Fitment Confirmation

Send part number, quantity, destination country, and VIN if available.

Send detailed request
Request This Part
Send the part number, quantity, destination country, and VIN if available. We will confirm availability and fitment reference.

Fitment Reference

Toyota and Lexus part applications can vary by market, production date, chassis code, engine, trim, and catalog. Always verify part number 16282-42010, PNC, vehicle application, and VIN before ordering.
Model Name Fr-To Model Description Catalog
SUPRA 1990.08 - 1993.05
7MG#..MA70
291420
MARK 2 1989.08 - 1993.02
7MGE..MX83
311160
CHASER 1989.08 - 1992.10
7MGE..MX83
312160
CRESTA 1989.08 - 1992.10
7MGE..MX83
313160
SUPRA 1989.08 - 1990.08
7MGE..MA70;7MGTE..MA70..4FC;7MGTE..MA70..SPR..5F;7MGTE..MA70..LB..5F..USA
291420
CRESSIDA WAGON 1988.12 - 1992.05
7MGE..MX75
351210
SUPRA 1988.08 - 1993.05
7MG#..MA70
291220
CRESSIDA 1988.08 - 1993.02
7MGE..MX83
311260
CRESSIDA 1988.08 - 1992.07
7MGE..MX83
311460
SUPRA 1988.08 - 1990.08
7MGTEU..MA70
291120
SUPRA 1988.08 - 1989.08
7MG#..MA70
291420
SOARER 1988.01 - 1991.04
7MGTEU..MZ2#
321130
CROWN 1987.09 - 1991.10
7MGE..MS135
331260
CROWN 1987.09 - 1991.10
7MGE..MS135,137
331160
SUPRA 1986.02 - 1988.08
7MGTEU..MA70
291110
SUPRA 1986.01 - 1988.08
7MG#..MA70
291210
SUPRA 1986.01 - 1988.08
7MG#..MA70
291410
SOARER 1986.01 - 1988.01
7MGTEU..MZ2#
321120

Same PNC 16282 Part Numbers

View more PNC 16282 part numbers

FAQ

What is 16282-42010?
16282-42010 is a Toyota/Lexus reference part number for HOSE, WATER BY-PASS, NO.5. Check PNC, fitment, catalog, and VIN before ordering.

How do I check if 16282-42010 fits my vehicle?
Verify the OE number, PNC, vehicle catalog, production date, chassis, engine, trim, and VIN before ordering.

Is 1628242010 the same as 16282-42010?
Yes. 1628242010 is a common search format without hyphens. Always verify the full OE number and fitment details.

Can NeoZeroAuto help verify 16282-42010 by VIN?
Yes. Send the VIN, part number, quantity, and destination country for manual fitment reference support.

Related Parts

Technical Reference Details

Specifications

Brand NeoZeroAuto
Part Name Code 16282
Manufacturer Part Number 16282-42010
Part Description HOSE, WATER BY-PASS, NO.5
Condition New
Quantity Per Vehicle 1
SKU 16282-42010
Catalog 291210
PNC 16282
PNC Group HOSE, WATER BY-PASS, NO.5

OE Number Variants

This reference page covers part number 16282-42010. OE and reference number variants include:

  • 16282-42010
  • 1628242010
  • 16282 42010

What is 16282-42010?

16282-42010 is a Toyota/Lexus reference part number for HOSE, WATER BY-PASS, NO.5. In EPC data, it is listed as HOSE, WATER BY-PASS, NO.5 under PNC 16282. Use the fitment table above to confirm catalog, production date, engine, chassis, and market application.

Toyota reference part number 16282-42010 corresponds to HOSE, WATER BY-PASS, NO.5. Toyota EPC lists this part as HOSE, WATER BY-PASS, NO.5. For higher accuracy, verify by VIN, production date, market, and detailed vehicle configuration before ordering or quoting.