✅ Vehicle Fitment Check: Verify with VIN, production date, and market specification before ordering.
Toyota 04446-30010 GASKET KIT, POWER STEERING PUMP
🔍 Click image to enlarge
Thumbnail 1 for 04446-30010
Thumbnail 2 for 04446-30010
Thumbnail 3 for 04446-30010

Toyota 04446-30010 GASKET KIT, POWER STEERING PUMP

04446-30010
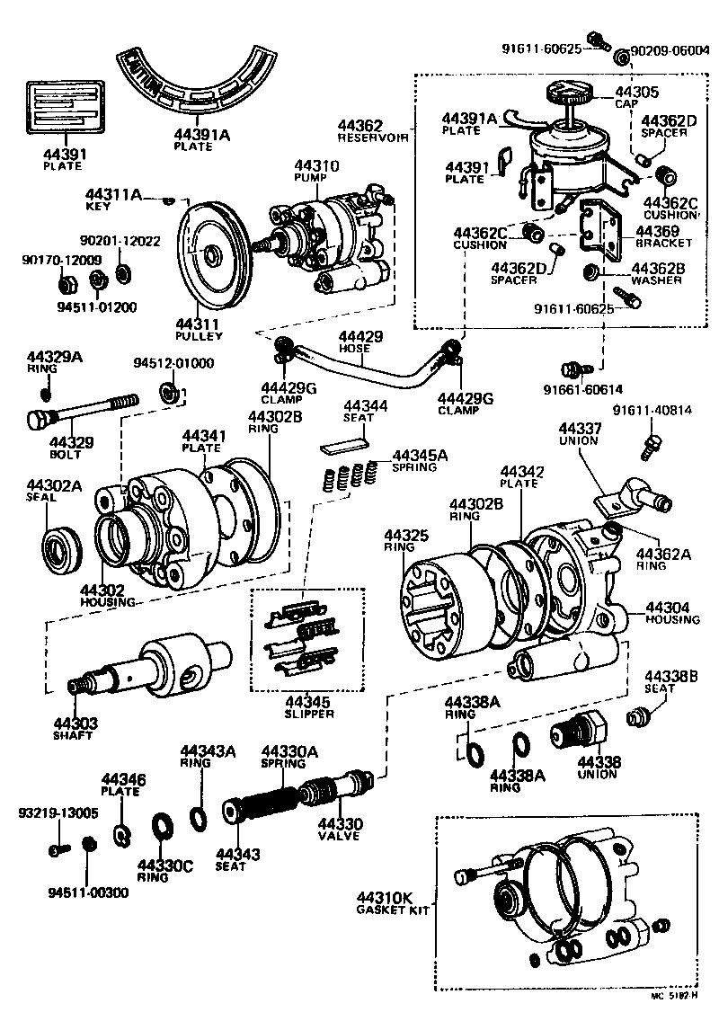
Catalog: 252420 🔗 PNC: 44310K - GASKET KIT, POWER STEERING PUMP
Part overview: OEM reference 04446-30010 for GASKET KIT, POWER STEERING PUMP. This page currently lists 16 fitment groups. Use the catalog link and vehicle fitment table below to confirm application details.
Toyota & Lexus Parts Specialist
Based in China | Wholesale / B2B

NeoZeroAuto supplies Toyota and Lexus replacement parts with fitment-reference support.

  • OEM-quality replacement parts
  • Wholesale supply for distributors
  • Worldwide shipping support

Send the part number and quantity to receive a quotation.

Contact Us for Quote
Request a Quote Chat on WhatsApp
Email: [email protected]

Specifications

Brand NeoZeroAuto
Part Name Code 44310K
Manufacturer Part Number 04446-30010
Part Description GASKET KIT, POWER STEERING PUMP
Condition New
Quantity Per Vehicle 1
SKU 04446-30010
Catalog 252420
PNC 44310K
PNC Group GASKET KIT, POWER STEERING PUMP

Vehicle Fitment

Model Name Fr-To Model Description Catalog
LAND CRUISER 1984.11 - 1987.08
FJ60
791420
LAND CRUISER 1982.10 - 1984.11
BJ60,FJ60
791420
LAND CRUISER 1982.10 - 1984.10
BJ42,FJ40
781410
LAND CRUISER 1980.08 - 1982.10
FJ40
781410
LAND CRUISER 1980.08 - 1982.10
FJ60
791420
CELICA 1980.08 - 1981.07
MA47
252420
CELICA 1980.08 - 1980.11
RA43
252420
LAND CRUISER 1979.09 - 1980.07
FJ4#;FJ55..USA
791410
CORONA 1979.08 - 1980.11
RT13#..3FC,3HC,4FC,5F
261440
CELICA 1979.08 - 1980.08
MA46,RA42..(3FC,5F)..(LT,SPR)
252420
PICKUP 1979.01 - 1980.08
RN37
671430
LAND CRUISER 1979.01 - 1979.09
FJ40,55..USA
791410
CORONA 1978.09 - 1979.08
RT134
261440
CRESSIDA 1977.08 - 1980.08
MX32..LG..CBR
311430
CELICA 1977.08 - 1979.08
MA46,RA42..(3FC,5F)..(LT,SPR)
252420
CORONA 1977.01 - 1978.08
RT119..3HC
261430

Related Parts

Part Number Reference
04446-12010 GASKET KIT, POWER STEERING PUMP
44302-12010 HOUSING SUB-ASSY, VANE PUMP, FRONT
44302-30020 HOUSING SUB-ASSY, VANE PUMP, FRONT
44303-22010 SHAFT SUB-ASSY, W/ROTOR
44303-22011 SHAFT SUB-ASSY, W/ROTOR
44303-22020 SHAFT SUB-ASSY, W/ROTOR
44303-22021 SHAFT SUB-ASSY, W/ROTOR
44304-20010 HOUSING SUB-ASSY, VANE PUMP, REAR
44304-20020 HOUSING SUB-ASSY, VANE PUMP, REAR
44304-20030 HOUSING SUB-ASSY, VANE PUMP, REAR
44304-30022 HOUSING SUB-ASSY, VANE PUMP, REAR
44305-30020 CAP SUB-ASSY, VANE PUMP OIL RESERVOIR

Toyota part number 04446-30010 corresponds to GASKET KIT, POWER STEERING PUMP. Use the fitment table, catalog reference, and PNC group information above to confirm compatibility.

For higher accuracy, verify by VIN, production date, market, and detailed vehicle configuration before ordering or quoting.